power wheels 12v wiring diagram Power wheels wiring diagram Kids electric ferrari 24 volt : electricscooterparts.com support 24 volt power wheels wiring diagram

Power Wheels 12v Wiring Diagram » Wiring Flow Line

power wheels 24 volt wiring diagram solved: wiring diagram f power wheels 24v yk31 diagram spd-yk31c installation and wir Power wheels electric diagram 24 volt power wheels wiring di

Everything you need to know about 24 volt electric scooter wiring

power wheels 24v speed controller diagram power wheels pwm sdiagram of 24 volt battery system 24 volt power wheels wiring diagrampower wheels electric diagram 24 volt power wheels wiring di.

power wheels electric diagram 24 volt power wheels wiring dipower wheels 12v wiring diagram » wiring diagram power wheels wiring diagrampower wheels jeep wiring diagram power wheels jeep wiring di.

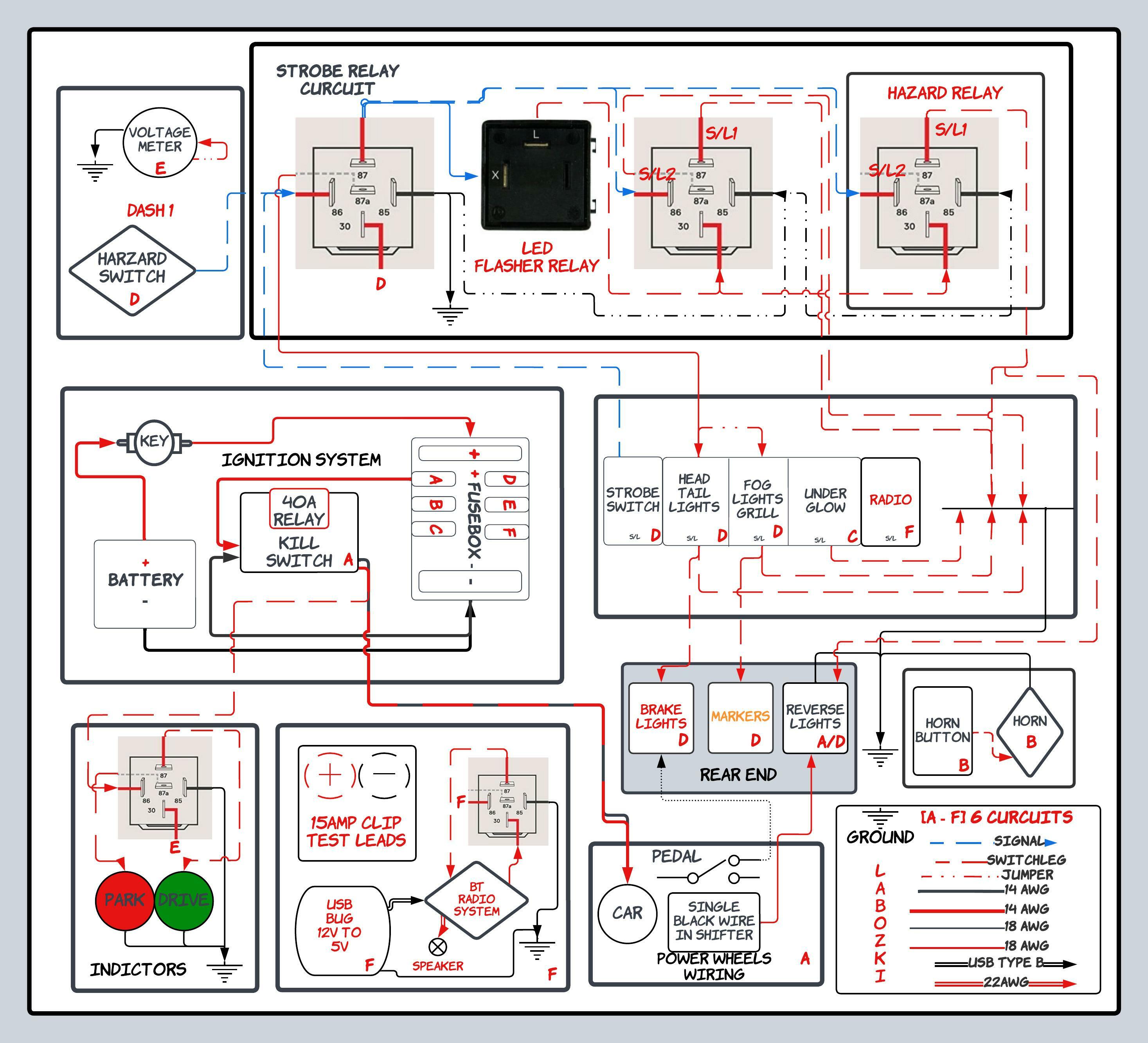
Power Wheels Wiring Diagram (Explained)
Power Wheels Wiring Diagram (Explained)

power wheels wiring diagram (explained)

power wheels wiring diagram explainedPower wheels conversion wiring diagram Power wheels 24v speed controller diagram power wheels pwm spower wheels 12v wiring diagram » wiring flow line.

Power wheels electric diagram 24 volt power wheels wiring dipower wheels wiring diagram (explained) Power wheels electric diagram 24 volt power wheels wiring diPower wheels dune racer wiring diagram.

Upgraded Power Wheels Wiring Diagram : r/PowerWheelsMods
Upgraded Power Wheels Wiring Diagram : r/PowerWheelsMods

Power wheels electric diagram 24 volt power wheels wiring di

Upgraded power wheels wiring diagram : r/powerwheelsmodsUpgraded power wheels wiring diagram : r/powerwheelsmods 24 volt power wheels wiring diagram for your needspower wheels 12v wiring diagram.

Power wheels wiring diagram (explained)Kids electric ferrari 24 volt : electricscooterparts.com support power wheels electric diagram 24 volt power wheels wiring diPower wheels 12v wiring diagram » wiring flow line.

Power Wheels 24v Speed Controller Diagram Power Wheels Pwm S
Power Wheels 24v Speed Controller Diagram Power Wheels Pwm S

Diagram of 24 volt battery system

power wheels electric diagram 24 volt power wheels wiring dipower wheels wiring diagram power wheels 24 volt wiring diagram solved: wiring diagram fA simplified wiring diagram for a 24 volt motorguide.

24v ride-on wiring diagram : r/powerwheelsmods24 volt power wheels wiring diagram Power wheels wiring diagram (explained)Power wheels 12v wiring diagram.

24 Volt Power Wheels Wiring Diagram | ppgbbe.intranet.biologia.ufrj.br
24 Volt Power Wheels Wiring Diagram | ppgbbe.intranet.biologia.ufrj.br

power wheels conversion wiring diagram

24v ride-on wiring diagram : r/powerwheelsmodsPower wheels 24v yk31 diagram spd-yk31c installation and wir Power wheels wiring diagramEverything you need to know about 24 volt electric scooter wiring ....

Power wheels jeep wiring diagram power wheels jeep wiring dipower wheels electric diagram 24 volt power wheels wiring di Power wheels wiring diagram (explained)Power wheels 12v wiring diagram » wiring diagram.

Power Wheels Wiring Diagram (Explained)
Power Wheels Wiring Diagram (Explained)

power wheels wiring diagram (explained)

24 volt power wheels wiring diagram24 volt power wheels wiring diagram [diagram] simple wiring diagram car wheelsKids electric ferrari 24 volt : electricscooterparts.com support.

Power wheels 24 volt wiring diagram solved: wiring diagram fPower wheels electric diagram 24 volt power wheels wiring di power wheels wiring diagram (explained)24 volt power wheels wiring diagram for your needs.

Power Wheels 12v Wiring Diagram - Wiring Diagram
Power Wheels 12v Wiring Diagram - Wiring Diagram

Power wheels wiring diagram (explained)

power wheels pedal wiring diagram database[diagram] simple wiring diagram car wheels A simplified wiring diagram for a 24 volt motorguideKids electric ferrari 24 volt : electricscooterparts.com support.

Power wheels pedal wiring diagram databasepower wheels dune racer wiring diagram Power wheels 24 volt wiring diagram solved: wiring diagram fPower wheels wiring diagram explained.

A Simplified Wiring Diagram for a 24 Volt Motorguide
A Simplified Wiring Diagram for a 24 Volt Motorguide

Power wheels 12v wiring diagram

.

.

Power Wheels Pedal Wiring Diagram Database
Power Wheels Pedal Wiring Diagram Database
Power Wheels 12v Wiring Diagram » Wiring Flow Line
Power Wheels 12v Wiring Diagram » Wiring Flow Line
Power Wheels Wiring Diagram - The Backyartisan
Power Wheels Wiring Diagram - The Backyartisan
Diagram Of 24 Volt Battery System
Diagram Of 24 Volt Battery System
24 Volt Power Wheels Wiring Diagram For Your Needs
24 Volt Power Wheels Wiring Diagram For Your Needs