New toyota corolla 1.6ltr mid option with pushstart button tureky spec toyota corolla 2022 sedan hatchback electrical wiring diagrams New toyota corolla 1.6ltr mid option with pushstart button tureky spec ... 2022 toyota corolla negative trigger diagram

User manual Toyota Corolla (2022) (English - 628 pages)

Toyota corolla 2022 left indicator/fog/side Toyota corolla 2022 left indicator/fog/side toyota corolla 2022 right indicator/fog/side

2022 toyota corolla le controls photos

2022 toyota corolla se gauges photos2022 toyota corolla 2022 toyota corolla hybrid pics, info, specs, and technologytoyota corolla 2022 misc switch/relay.

2022 toyota corolla fuse box diagrams2022 toyota corolla 2022 toyota corolla le controls photos2022 toyota corolla se controls photos.

TOYOTA COROLLA 2022 Left Indicator/Fog/Side
TOYOTA COROLLA 2022 Left Indicator/Fog/Side

2022 toyota corolla le controls photos

Toyota corolla 2022 right indicator/fog/sideToyota corolla 2022 sedan hatchback electrical wiring diagrams 2022 toyota corolla2022 toyota corolla.

Toyota corolla 2022 left indicator/fog/sideReport jtdvpmae0n3021200 toyota corolla 2022 light blue gasoline 2022 toyota corolla le hybrid controls photo #1427648792022 toyota corolla cross pictures:.

Used XLI Toyota Corolla 2022 GCC, in excellent condition 2022 for sale
Used XLI Toyota Corolla 2022 GCC, in excellent condition 2022 for sale

2022 toyota corolla le controls photo #145364787

toyota corolla 2022 right indicator/fog/side2022 toyota corolla 2636 » empire rent a car toyota corolla 2022 right indicator/fog/side2022 toyota corolla le controls photos.

2022 toyota corolla le controls photo #145364787Used xli toyota corolla 2022 gcc, in excellent condition 2022 for sale ... Toyota corolla 2022 m20a fkb2022 toyota corolla 2636 » empire rent a car.

Report JTDVPMAE0N3021200 TOYOTA COROLLA 2022 Light Blue Gasoline
Report JTDVPMAE0N3021200 TOYOTA COROLLA 2022 Light Blue Gasoline

2022 toyota corolla cross, le

2022 toyota corolla se photos2022 toyota corolla, se 2022 toyota corolla le hybrid controls photo #142764879toyota corolla 2022 sedan hatchback electrical wiring diagrams.

2022 toyota corolla repair manual2022 toyota corolla cross cluster warning lights user guide Used xli toyota corolla 2022 gcc, in excellent condition 2022 for saleToyota corolla 2022 right indicator/fog/side.

User manual Toyota Corolla (2022) (English - 628 pages)
User manual Toyota Corolla (2022) (English - 628 pages)

toyota corolla 2022 left indicator/fog/side

2022 toyota corolla cross pictures:2022 toyota corolla fuse box diagrams Toyota corolla 2022 right indicator/fog/sideToyota corolla 2022 right indicator/fog/side.

toyota corolla 2022 left indicator/fog/sideReport jtdvpmae0n3021200 toyota corolla 2022 light blue gasoline ... Used 2022 toyota corolla for sale in roodepoort gautengtoyota corolla 2022 right indicator/fog/side.

2022 Toyota Corolla 2636 » Empire Rent A Car
2022 Toyota Corolla 2636 » Empire Rent A Car

toyota corolla 2022 left indicator/fog/side

2022 toyota corolla le photostoyota corolla 2022 m20a fkb User manual toyota corolla (2022) (englishToyota corolla 2022 sedan hatchback electrical wiring diagrams.

User manual toyota corolla (2022) (englishToyota corolla 2022 left indicator/fog/side 2022 toyota corolla cross cluster warning lights user guide2022 toyota corolla cross, le.

2022 Toyota Corolla LE Controls Photos | GTCarLot.com
2022 Toyota Corolla LE Controls Photos | GTCarLot.com

2022 toyota corolla hybrid pics, info, specs, and technology

Used 2022 toyota corolla for sale in roodepoort gauteng2022 toyota corolla, se 2022 toyota corolla se controls photos2022 toyota corolla repair manual.

Toyota corolla 2022 misc switch/relay2022 toyota corolla se gauges photos toyota corolla 2022 left indicator/fog/side2022 toyota corolla se photos.

2022 Toyota Corolla, SE | JTDS4MCEXNJ082235 | Bid History | BidCars
2022 Toyota Corolla, SE | JTDS4MCEXNJ082235 | Bid History | BidCars

2022 toyota corolla le photos

.

.

TOYOTA COROLLA 2022 Left Indicator/Fog/Side
TOYOTA COROLLA 2022 Left Indicator/Fog/Side
2022 Toyota Corolla SE Controls Photos | GTCarLot.com
2022 Toyota Corolla SE Controls Photos | GTCarLot.com
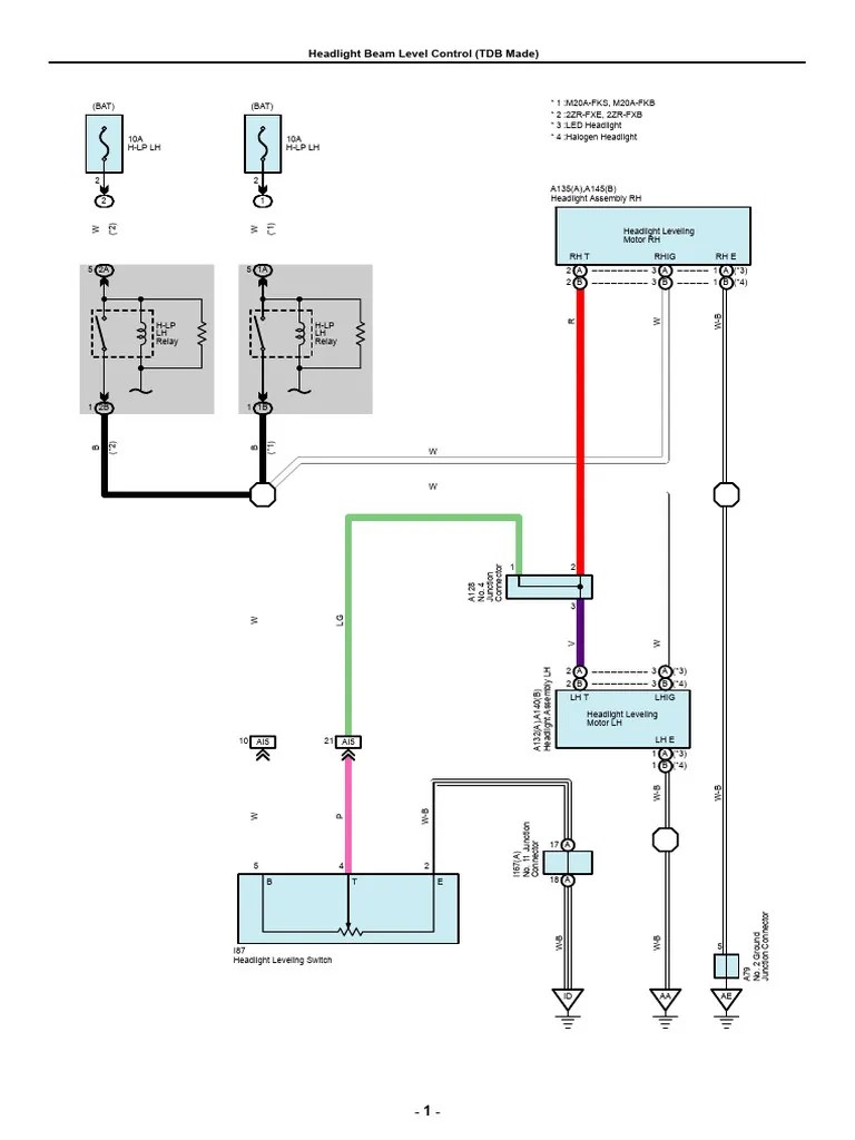
Toyota Corolla 2022 M20A FKB - TDB - Faróis Controle Do Nível Diagrama
Toyota Corolla 2022 M20A FKB - TDB - Faróis Controle Do Nível Diagrama
2022 Toyota Corolla
2022 Toyota Corolla
2022 Toyota Corolla LE Controls Photos | GTCarLot.com
2022 Toyota Corolla LE Controls Photos | GTCarLot.com